Dynapro Radial Front Drag Brake Kit
NDPR forged billet, radial mount four piston calipers are used in this select group of drag racing kits. The OE brakes on vehicles originally equipped with 16” or larger wheels generally do not fit inside the popular 15” drag wheels. Specially designed radial caliper mount brackets bolt directly to the OE caliper mount, and provide secure and accurate mounting for the NDPR caliper. Kits with 3/8” steel rotors are recommended for four-wheel disc brake cars up to 2,800 pounds. Kits with .81” rotors should be used on cars over 2,800 pound cars, or lighter cars running extreme speeds desiring increased rotor durability.
Kit Summary
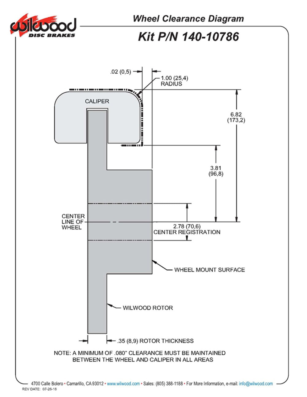
NOTE: Check "Wheel Clearance Diagram" in the installation Instructions to verify you have adequate wheel clearance for this kit. This Brake Kit may fit 15-inch wheels.
NOTE: Kit will work on 1993-1997 F Body with 1998-2002 F Body spindles.
NOTE: This kit will require Flexline kits for completing installation.